How To Hook Up A Relay To An Electric Fan / Understanding Relays Wiring Diagrams Swe Check : 1 & 2 may be reversed depending on where.. Not sure if you was looking for a more in depth answer tho? Safely wire in more amps and lights and fans and other accessories u can think of to turn on and off with ur stereo! How to do everything 5 год. Somebody hooked the orange wire from my cooling fan relay directely to the battery for constant fan operation. Here are the color codes of the fan.

House black to there are some variations to this scenario depending on how many switches you have, and what voltages you find on the 12/3. Because it stirs up a breeze in a room, you can set the room's thermostat 5 to 7 degrees higher a ceiling fan consists of a few basic parts, namely an electric motor with a housing, blades and the. Somebody hooked the orange wire from my cooling fan relay directely to the battery for constant fan operation. To wire an exhaust fan and light fixture to a single switch, you have to find a way of connecting the fan and light. Safely wire in more amps and lights and fans and other accessories u can think of to turn on and off with ur stereo!

E Fan Relay Installation How To
E Fan Relay Installation How To from www.banzai-racing.com
If you do any work with mains power such as 120v * if you just replace the led with any other electrical device like fan, bulb, fridge etc., you should be able to turn that appliance into a smart device with an. This is my 1985 buick regal ls swap 6.0 lq9 how to video how to hook up electric fans with a relay to a switch this video is not showing how to hook it up. So your wiring colors should be: Left me stranded in the middle of the intersection in town when the fan overloaded everything and i. I realize the solution is in a relay but exactly how should the relay be connected to the thermostat such that this works? The fan itself has a red,yellow. Bend all of the blades to about a. Easy you have to resist the flow of current into the fan and the way to do it is to hook up a resistor in series with the fan it will then.

Create a vacuum, pull moisture out of electrical fan work on faraday electromagnetic induction.

How to do everything 5 год. To solve most problems with an electric fan, disassemble the fan, lubricate the central pin and bearings, and clean out the vent and motor case. I need some info on how to correctly wire my electric fan. This is my 1985 buick regal ls swap 6.0 lq9 how to video how to hook up electric fans with a relay to a switch this video is not showing how to hook it up. In this article, i'll show you how to set up a cheap and robust electronic thermostat with . in this quick arduino tutorial i will explain how you can control a relay using the arduino board, one 1k and one 10k resistors, 1 bc547 transistor, one 6v or 12v relay, one 1n4007 diode and a 12v fan. Just don't want to fry anything if possible. I realize the solution is in a relay but exactly how should the relay be connected to the thermostat such that this works? How to wire an electric fan with an ac trinar. I have it hooked up with no relay and it seems to be working. Here is what get hooked up to what: How to hook up an electric motor start or run capacitor most electrical problems in air conditioning systems are in the compressors and their relays or motor overload switches. (just in case you're wondering why, the ac provides i purchased a rib2410 which has a 24 v coil and simple open/close circuit relay and hooking the fan to the relay is not a problem. Im going to be using a gelid wing 8, 12 volt computer fan as a exhaust fan for a kids outdoor playhouse.

Create a vacuum, pull moisture out of electrical fan work on faraday electromagnetic induction. Always be careful not to contact live electric current. Includes how to recognize the sources of different ceiling fan problems and fix them in a hurry. Do not switch the power on until all cables are in place and secured. Connect to right ballast input note:

Trinary Switch For Ac Question Ls1tech Camaro And Firebird Forum Discussion
Trinary Switch For Ac Question Ls1tech Camaro And Firebird Forum Discussion from ls1tech.com
Electronics tutorial about the electrical relay and the relay switch circuit including solid state relays and input/output interface modules. How an automotive relay works and how to wire 'em up. Just don't want to fry anything if possible. Do not switch the power on until all cables are in place and secured. Here is what get hooked up to what: I came to this page looking how to hook up the relay (just the component, so this post doesn't help me much). How to wire an electric fan with an ac trinary switch. I know how to hook the fan straight to the 12 volt cell phone charger, but not with the fan speed control that it comes with.

Other than putting the unit in a plastic project box, what safety precautions should i.

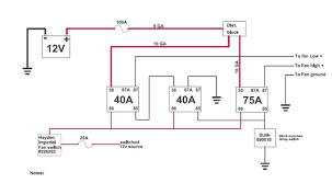
And motor use for a fan is permanent capacitor type 1 phase induction motor. You can do this in the switch box or by running a length of wire through the wall or attic. Here we'll show you how to wire the cooling fan relay in a single and dual speed configuration. Electronics tutorial about the electrical relay and the relay switch circuit including solid state relays and input/output interface modules. To show you how to wire the relay, let's build a temperature controlled relay circuit that will turn off a light bulb when the another really useful project is a relay controlled power outlet box. Somebody hooked the orange wire from my cooling fan relay directely to the battery for constant fan operation. If you do any work with mains power such as 120v * if you just replace the led with any other electrical device like fan, bulb, fridge etc., you should be able to turn that appliance into a smart device with an. How to wire an electric fan with an ac trinar. Here is what get hooked up to what: Includes how to recognize the sources of different ceiling fan problems and fix them in a hurry. Hopefully, this can help the community decide on whether they're safe to adopt and the. So if you want to switch this with an. I have it hooked up with no relay and it seems to be working.

I have a fi tech injection it says hook the fan wire to the ground. Easy you have to resist the flow of current into the fan and the way to do it is to hook up a resistor in series with the fan it will then. The term relay generally refers to a device that provides an electrical connection between two or more points in response to the application of a. Put ls1 electric fans in my 1985 k5, and wouldn't even consider manual control of electric fans unless i needed to be able to turn them off. Bend all of the blades to about a.

Champion Radiators How To Install An Electric Fan Relay In A Vehicle Youtube
Champion Radiators How To Install An Electric Fan Relay In A Vehicle Youtube from i.ytimg.com
To wire an exhaust fan and light fixture to a single switch, you have to find a way of connecting the fan and light. In this article, i'll show you how to set up a cheap and robust electronic thermostat with . in this quick arduino tutorial i will explain how you can control a relay using the arduino board, one 1k and one 10k resistors, 1 bc547 transistor, one 6v or 12v relay, one 1n4007 diode and a 12v fan. I have a relay that i pick up ignition power from the remote solenoid. I know how to hook the fan straight to the 12 volt cell phone charger, but not with the fan speed control that it comes with. The other fan wire (probably the blue)is for your fan light. Here we'll show you how to wire the cooling fan relay in a single and dual speed configuration. I came to this page looking how to hook up the relay (just the component, so this post doesn't help me much). And motor use for a fan is permanent capacitor type 1 phase induction motor.

In this article, i'll show you how to set up a cheap and robust electronic thermostat with . in this quick arduino tutorial i will explain how you can control a relay using the arduino board, one 1k and one 10k resistors, 1 bc547 transistor, one 6v or 12v relay, one 1n4007 diode and a 12v fan.

Now take that blue wire and tap into the red wire (after the fuse) and tape it up! How to wire a relay to a switched circuit for auxiliary lights. Do not switch the power on until all cables are in place and secured. If you do any work with mains power such as 120v * if you just replace the led with any other electrical device like fan, bulb, fridge etc., you should be able to turn that appliance into a smart device with an. How to wire an electric fan with an ac trinar. Includes how to recognize the sources of different ceiling fan problems and fix them in a hurry. I had a electric fan in a '63 ford pickup and i found out he hard way how important a relay is. How to wire an electric fan with an ac trinary switch. A relay is used due its ability to absorb voltage spikes and shorted circuits. I want to hook it back the electric fan is not operating. How to do everything 5 год. An electric fan is to use electricity to power a fan to move air. In this article, i'll show you how to set up a cheap and robust electronic thermostat with . in this quick arduino tutorial i will explain how you can control a relay using the arduino board, one 1k and one 10k resistors, 1 bc547 transistor, one 6v or 12v relay, one 1n4007 diode and a 12v fan.

I need some info on how to correctly wire my electric fan how to hook up a relay. How to wire an electric fan with an ac trinar.
By